bass refleks i TL zvucnik

Re: bass refleks i TL zvucnik

PostPostao/la dredder » Sri tra 05, 2023 9:46 pm

Ups.
Avatar korisnika
dredder
 
Postovi: 533
Pridružen: Sub tra 12, 2014 2:55 pm
Lokacija: Dubrovnik

Re: bass refleks i TL zvucnik

PostPostao/la micro » Čet tra 06, 2023 12:56 am

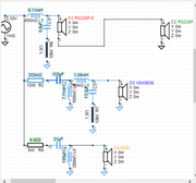
Uzeta u vituixcad genericka 3-way skretnica i ucitani podatci za drajvere , automatska optimizacija.
2 x RS225P-8 , scan speak 18W8535 i scan speak D2905/930000
Prva dva su 89,1 dB , dok mid-bas 18W8535 samo 86,5 dB i D2905/93000 ima 90dB

Slika

Slika
micro
 
Postovi: 637
Pridružen: Čet ožu 28, 2013 9:48 pm

Re: bass refleks i TL zvucnik

PostPostao/la Fantocci » Čet tra 06, 2023 10:06 am

Dva osam ohmska drivera u seriji?
Avatar korisnika
Fantocci
 
Postovi: 581
Pridružen: Čet tra 28, 2016 9:24 pm
Lokacija: SLO

Re: bass refleks i TL zvucnik

PostPostao/la SasaKC83 » Čet tra 06, 2023 11:12 am

A da, prespoji ih paralelno. Zasto ti impedancija izgleda ovako ispod 100 Hz, odsimuliraj neku realnu kutiju pa da dobije onaj peak na rez frekvenciji ili dva za bajz refleks...i odmah definiraj dimenzije prednje ploce i ostalo u onom diffraction toolu...pa si malo blize stvarnosti. Ok je da je mid tisi od basova, kad uklopis basove i tweet oko njega digne se mid razina za decibel dva tri osim ako nisi bas koristio skretnicu treceg reda ili vise di se driveri ne preklapaju jako...

To je samo simulacija, realno nece odaziv biti bas takav... :D

Vrijeme je za pilit drveta... :mrgreen:
SasaKC83
 
Postovi: 1046
Pridružen: Sri ruj 10, 2014 5:21 pm

Re: bass refleks i TL zvucnik

PostPostao/la tubeman » Čet tra 06, 2023 5:53 pm

Vrijeme je za ostaviti se glupih simulatora i sličnih bedastoća ako se od njih očekuje konačno rješenje.
Trebalo bi se okrenuti nekom provjerenom projektu kao što je možda onaj s početka priče.
Pri tomu treba poštivati i barem osnovne parametre drivera, prvenstveno onog/onih niskotonskih.
Ne može se umjesto onog što je u projektu staviti nešto što nije tog ranga. To garantirano vodi u neuspjeh.
Volumen kutija s kojom litrom više ili manje sigurno neće biti problematičan. Na srednjotonce i visokotnce to ionako ne utječe.

Ima puno provjerenih projekata koje nisu radili "papci". Na žalost, internet je donio popriličnu konfuziju i sve je puno kojekakvih nebuloza s "pričama".
Ako od zvučnika očekujemo više onda će i koštati više. Od jeftinih komponenti se ne može očekivati puno, ali se i od njih mogu napraviti zanimljivi projekti.

Simulatori skretnica koji uzimaju u obzir detaljne parametre zvučnika (mislim da je ono malo prije rađeno baš s nečim takvim) su po mojem skromnom mišljenju totalna bedastoća i ne treba ih doživljavati.
Proračun skretnica bilo kojeg reda je vrlo egzaktna i odavno poznata stvar i osim same impedancije drivera sve ostalo je mazanje očiju, pardon, ušiju :)
Na kraju dobijemo ovdje prikazanu shemu skretnice koja gotovo pa da nema nekog smisla a "teoretski" po simulatoru sve štima :) :)
Kao i kod simulatora elektroničkih sklopova jako je važno znati što se očekuje i znati interpretirati ono što smo "simulirali".
Simulatori mogu biti samo pomoćno sredstvo jer rade po modelima koji nikako nisu savršeni a "savršenost" istih tih STVARNIH elemenata bolje da ne spominjemo :)

Još je veća bedastoća inzistirati na "mjerenju" zvučnika s razno-raznim mikrofonima.
Zašto?
Filozofija "kvalitetne" reprodukcije zvuka se vrti oko četiri osnovne sastavnice:

Izvora zvuka, uređaja/sklopova koji pojačava zvuk, zvučnika i NAŠIH UŠIJU.
To je jednadžba s četiri nepoznanice.
Od njih se dvije mogu definirati aksiomatski i dobrim dijelom kvalitetno realizirati i eliminirati kao nepoznanice:
Poželjno je da izvor zvuka teži "savršenstvu" kao i pojačalo.
Savršenstvo se ne može postići ali mu se može pokušati asimptotski približiti više ili manje.

Naše uši su onaj faktor koji "procjenjuje" kvalitetu i gdje sve prolazi ili pada.
Doduše, nisu to samo uši. Tu je i naš mozak koji normalizira ono što dolazi kroz uši.

Naše uši NISU mikrofon a uz sve se moraju još boriti i sa svim onim refleksijama, gušenjima u prostoru u kojem se nalazimo a to NIKADA nije gluha komora.
Da ne spominjem osobne preferencije kao što je preferiranje više/manje basa, "analitičkog" (drečavog) zvuka), JAZZ, ROCK, ELECTRO stil itd.....
Dakle, tu već gotovo u potpunosti "mjerenja" zvučnika "savršeno baždarenim" mikrofonima gotovo pa nemaju smisla.
Ono izvan "gotovo pa" se odnosi na to da se mjerenjem MOŽE dobiti nekakav uvid u to što se možda događa ali to je prilično neupotrebljivo u realnim uvjetima osim ako želimo "izmjeriti" zvučnike u SVOJEM prostoru.
Naravno, može biti korisno pomagalo ako smo nešto ozbiljno za..bali u izračunu ili izvedbi :)
Zato često neki zvučnici "sviraju" ili "ne sviraju" po očekivanjima kad ih dovučemo u svoju sobu a sve je "savršeno" izmjereno raznim kvazimetodama.
Vrlo lako ćemo dobiti "savršene" zvučnike koji nikako ne sviraju.

Zvučnici su onaj treći faktor koji služi za prilagodbu "savršenosti tehnike" našem "nesavršenom" sklopu uši/mozak.
Nesavršen je ali je naš ;)

Problem kod DIY-era je što u njemu često leži "trgovac" koji bi svoje uratke nakon dovršetka najčešće rado unovčio što zbog ulaganja u nove projekte, što zbog nade u zaradu (koje, naravno, u DIY NEMA).
Ako se toga oslobodimo, i ako zvučnike napravimo i prilagođavamo SEBI i svojem prostoru onda stvar može uspjeti. Možda ćemo dobiti "mjerno" nesavršen zvučnik ali ćemo biti sretniji.

Zato provjerene nacrte na pank, pilu i čekić u ruke i uživaj :) :)

Hebaga, vidim da si opet ne znam reda :) :)
Srećom ionako nije imao živaca to čitaiti. Jelda?
Ništa ne bacam. Sve mi treba.......
Avatar korisnika
tubeman
 
Postovi: 3130
Pridružen: Uto ožu 19, 2013 2:18 pm
Lokacija: Varaždin, Hrvatska

Re: bass refleks i TL zvucnik

PostPostao/la Zmajz » Čet tra 06, 2023 6:08 pm

ja sam imao živaca pročitati ...
Zmajz - Z na kraju se ne čita i ne izgovara bez potrebe, to je nepostojano Z!
Avatar korisnika
Zmajz
 
Postovi: 2589
Pridružen: Pet svi 31, 2013 10:10 pm
Lokacija: Zagreb i Koprivnica

Re: bass refleks i TL zvucnik

PostPostao/la tubeman » Čet tra 06, 2023 6:10 pm

Starac i more :)
Ništa ne bacam. Sve mi treba.......
Avatar korisnika
tubeman
 
Postovi: 3130
Pridružen: Uto ožu 19, 2013 2:18 pm
Lokacija: Varaždin, Hrvatska

Re: bass refleks i TL zvucnik

PostPostao/la micro » Čet tra 06, 2023 7:10 pm

Paralelno spojeni RS225P ne dobija se nista odnosno dobije se jednogrba deva na pocetku odziva ,a i zanimljiva impedansa koju vidi pojacalo:) , niskotonci 89dB a srednji 86dB.

Ovo je samo simulacija skretnice bez kutije , baffle itd.

A sto se tice simulatora virtuixcad i lspcad , probao sam mjerenja kutije i njihove simulacije skoro da i nema razlike ,druga stvar je ako se ucita smece ,smece ce se pojaviti i u rezultatu.

Ako vecina nezna da mjeri , odnosno kako se mjeri u diy uslovima onda je i 90% je neupotrebljivo jer mjere odziv sobe a ne zvucnika.
micro
 
Postovi: 637
Pridružen: Čet ožu 28, 2013 9:48 pm

Re: bass refleks i TL zvucnik

PostPostao/la Bepone » Čet tra 06, 2023 7:17 pm

a kojeg smisla ima cnc? moze se sve rucno napraviti.
a kojeg smisla ima printer za papir kad se moze sve olovkom prepisati....
ja mislim da nista nema smisla.. :hand: i ne bismo se smjeli nicim baviti, sve isto svira, sve isto izgleda, sve je istog okusa, pogotovo ne bi se smjelo imati volje uciti i isprobavati kad se zna rezultat unaprijed :idea: . zasto samo ne gledamo u zid ili u mobitel, ili komp, tu se sigurno nadje rjesenje za sve :dance:
Bepone
 
Postovi: 5926
Pridružen: Ned tra 02, 2017 3:22 pm

Re: bass refleks i TL zvucnik

PostPostao/la Pao Pepeo » Čet tra 06, 2023 9:02 pm

Zmajz napisao:ja sam imao živaca pročitati ...


imao je i tubeman zivaca napisat... :clap:
100x vec receno ,
ako je cilj imati sto bolji zvucnik na sto jednostavniji nacin - raditi po vec gotovom projektu nekog od poznatih majstora

a ako se zeli experimentirati itd. samo nastavimo s temom :D

P.S.
polako sam u iskusenju napraviti i ja koj zvucnik :lol:
Pao Pepeo
 
Postovi: 2246
Pridružen: Pet sij 10, 2014 7:38 pm

PrethodniSljedeće

Vrati se na: Zvučnici

Tko je online

Nema registriranih korisnika pregledava forum i 3 gostiju

cron